提供微型滚珠轴承,组合件产品,以及满足不同需要的丰富产品。
首页 > 产品介绍:齿科用高速轴承【标准品】

产品介绍

加工工具的制作

标准品

  • 下载商品目录
  • 技术信息一览表

特征

    标准品新材料的开发,选择适当的原材料以及超精密加工技术ISC开发了高性能齿科用轴承。

  • 转数对应450,000RPM到500,000RPM。
  • 使用新型钢材(高耐腐蚀不锈钢)达到了更高耐腐蚀性能。
  • 聚酰胺-酰亚胺保持架使其具有耐高温,高压灭菌处理性能.
  • 可制作陶瓷球轴承

CAD数据下载

CAD数据下载
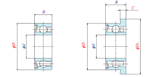
表示型号 主要尺寸(mm) CAD数据下载
D
B
D1
C
SR144X10Ah26T52YZS 3.175 6.350 2.779 DXFファイル
SR144X12Ah26T52CZS 3.175 6.350 2.380 DXFファイル
SFR144X10Ah26T52YZS 3.175 6.350 2.779 7.518 0.787 DXFファイル
SFR144X12Ah26T52CZS 3.175 6.350 2.380 7.518 0.584 DXFファイル

※特殊尺寸,材质要求请与我们联系.

Get Adobe Reader浏览PDF档案必须安装Adobe之 Acrobat Reader。
最新Acrobat Reader请至此下载。

首页产品介绍公司概览 | 求职信息 | 联系我们网页导览微型滚珠轴承组合件产品加工工具的制作世界最小径微型滚珠轴承承 品质追求自然环境保护措施